Tegangan Turun = Arus Naik? Benarkah?
Dalam kehidupan kita sebagai engineer, sudah umum rasanya jika ada orang berpendapat bahwa saat tegangan ngedrop maka arus akan naik. Hal ini tidak salah, meskipun tidak juga selalu benar. Pernah dilakukan simulasi terkait hal ini dengan menggunakan software ETAP, kami tampilkan pada gambar berikut:
Gambar 1. Beban lump saat tegangan diturunkan
Gambar 2. Beban statik saat tegangan diturunkan
Pada gambar 1 kita lihat bahwa saat tegangan diturunkan (awalnya di kiri 20 kV, menjadi kanan 18 kV) arus akan naik (dari 76.8 Ampere menjadi 82.4 Ampere). Namun pada gambar 2 terlihat bahwa saat tegangan diturunkan, arus juga ikut turun (dari 75.1 A menjadi 67.6 A). Kenapa perlakuan yang sama bisa menimbulkan reaksi yang berbeda? Hal ini karena jenis beban yang dipakai berbeda. Gambar 1 menggunakan beban lump (gabungan antara motor dan statik), sedangkan gambar 2 menggunakan beban statik murni.
Memang umum rasanya jika kita melihat atau mendengar ada orang yang mengeluh saat tegangan ngedrop, bor listrik yang dipakaianya lebih cepat panas. Hal ini sejalan dengan simulasi bahwa saat tegangan ngedrop, motor listrik akan mengambil arus yang lebih besar. Saat arus bertambah, maka nilai power loss akan meningkat sesuai persamaan P = I²xR sehingga menimbulkan panas. Lalu muncul pertanyaan lagi, kok bisa motor listrik "sepintar" itu? artinya saat tegangan dirasa kurang, dia secara otomatis menarik arus lebih banyak? Untuk menjelaskan hal ini, perhatikan gambar 3 berikut
Gambar 3. Grafik drop tegangan vs kecepatan putar motor induksi
Gambar di atas saya ambil dari penelitian dosen jurusan teknik elektro universitas Malikussaleh, Medan yang dimuat dalam jurnal Teknik elektro RELE (Rekayasa Elektrikal dan Energi) tahun 2019, dengan judul penelitian: Analisis Pengaruh Jatuh Tegangan Terhadap Kerja Motor Induksi. Dari grafik tersebut terlihat bahwa semakin besar nilai drop tegangan, maka kecepatan putar (Nr) dari motor induksi akan semakin menurun.
Kenapa bisa seperti itu? Berikut penjelasannya: Pada dasarnya semua motor listrik itu sama. Bekerja berdasarkan gaya Lorentz
F = i . l x B
B berasal dari kumparan medan (bisa magnet permanen, bisa juga elektromagnetik). Letaknya juga beda-beda, ada yang di stator (kayak motor DC) Ada juga yang di rotor (motor AC)
i muncul karena kumparan armature yang merupakan rangkaian tertutup diberikan tegangan listrik. Letaknya juga macem2, ada yang di rotor (motor DC) dan ada yang di stator (motor AC). Arus ini nantinya akan membangkitkan medan di kumparan jangkar, lalu berinteraksi dengan medan yang timbul di kumparan medan seperti interaksi 2 buah magnet, lalu timbul gaya dan motor berputar.
Jadi kalau salah satu variabel input dikurangi, contoh seperti tegangan (atau dalam kasus lain bisa juga arus eksitasi Medan yang dikurangi), maka gaya Lorentz yang timbul juga berkurang. Jika itu terjadi, maka kemampuan untuk berputar (torsi) akan turun. Karena beban mekanis relatif tetap, maka kecepatan akan berkurang. Hampir sama seperti motor DC Tamiya yang baterainya atau magnet permanennya sudah melemah.
Kembali ke gambar 3 : kecepatan putar (Nr) menurun, frekuensi tetap, kecepatan medan putar (Ns) tetap, maka pasti slip akan naik sesuai persamaan berikut:
Kenapa bisa seperti itu? Berikut penjelasannya: Pada dasarnya semua motor listrik itu sama. Bekerja berdasarkan gaya Lorentz
F = i . l x B
B berasal dari kumparan medan (bisa magnet permanen, bisa juga elektromagnetik). Letaknya juga beda-beda, ada yang di stator (kayak motor DC) Ada juga yang di rotor (motor AC)
i muncul karena kumparan armature yang merupakan rangkaian tertutup diberikan tegangan listrik. Letaknya juga macem2, ada yang di rotor (motor DC) dan ada yang di stator (motor AC). Arus ini nantinya akan membangkitkan medan di kumparan jangkar, lalu berinteraksi dengan medan yang timbul di kumparan medan seperti interaksi 2 buah magnet, lalu timbul gaya dan motor berputar.
Jadi kalau salah satu variabel input dikurangi, contoh seperti tegangan (atau dalam kasus lain bisa juga arus eksitasi Medan yang dikurangi), maka gaya Lorentz yang timbul juga berkurang. Jika itu terjadi, maka kemampuan untuk berputar (torsi) akan turun. Karena beban mekanis relatif tetap, maka kecepatan akan berkurang. Hampir sama seperti motor DC Tamiya yang baterainya atau magnet permanennya sudah melemah.
Kembali ke gambar 3 : kecepatan putar (Nr) menurun, frekuensi tetap, kecepatan medan putar (Ns) tetap, maka pasti slip akan naik sesuai persamaan berikut:
Ns = 120*f/P
s = (Ns-Nr)/Ns
keterangan:
s = slip
f = frekuensi
P = jumlah kutub (pole) motor induksi
Nr = kecepatan putar motor
Ns = kecepatan medan putar
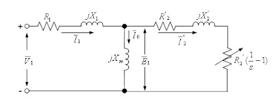
Nilai slip yang bertambah ini akan mempengaruhi besarnya nilai R pada rangkaian ekuivalen motor induksi. Seperti terlihat pada gambar 4, nilai hambatan pada motor induksi dipengaruhi oleh slip berdasarkan persamaan: R2'*(1/s-1). Artinya, saat slip bertambah maka nilai R tersebut akan turun. Sesuai hukum ohm, saat nilai R turun sedangkan nilai V tetap maka nilai I akan naik. inilah kronologi mengapa saat tegangan terminal turun, motor listrik akan menarik arus lebih banyak.
Gambar 4. Rangkaian Ekuivalen Motor Induksi
Selanjutnya, bagaimana jadinya jika bebannya adalah beban statik murni? Pernahkah anda mendengar atau melihat saat tegangan ngedrop, lampu malah menyala lebih terang? Atau mungkin yang sering kita lakukan: kegiatan menyolder. Apakah saat tegangan ngedrop akan membuat timah lebih cepat meleleh? Tentu saja tidak. Kita membutuhkan tegangan yang bagus supaya lampu dan solder bekerja optimal. jika tegangan turun, maka kinerja alat tersebut juga akan menurun.
Kesimpulannya: secara umum intuisi yang berkembang di masyarakat mengenai saat tegangan drop arus naik itu tidak salah, tapi bukan berarti semuanya bisa dipukul rata. Karena jika menyuplai beban statik, maka responnya adalah seperti gambar nomor 2.
Berdasarkan pengalaman saya selama bertugas di PLN, untuk pelanggan residensial (pelanggan rumah tangga) saat tegangan dinaikkan, arus yang mengalir juga ikut naik. Sudah beberapa kali terjadi saat ada pekerjaan penambahan JTR (Jaringan Tegangan Rendah), pembebanan trafo juga ikut naik. Jadi kami sarankan jika ingin melakukan perbaikan tegangan, perhatikan prosentase beban trafonya. Jangan sampai menyelesaikan masalah dengan masalah. Alias tegangan drop hilang, trafonya malah trip karena overload.




Komentar
Np/Ns = Vp/Vs = Is/Ip
Mungkin karena rumus di atas mudah diingat kali ya, sampai dibawa kemana2. Padahal tidak selalu berlaku seperti itu.
Ada yang berpendapat menurut hukum ohm arus dan tegangan berbanding lurus, rumusnya seperti ini:
I = V/R
Ada yang berpendapat arus dan tegangan berbanding terbalik, rumusnya ini:
P = V*I
I = P/V
Dua-duanya terlihat bertentangan, tapi juga keduanya nggak salah. Hukum ohm dan rumus daya listrik sama2 berlaku. Apapun kondisi rangkaiannya.
Makanya aku pengen sharing tulisan ini, buat meluruskan pendapat masyarakat yang sebenarnya belum tentu benar.